
1.液壓系統(tǒng)壓力: 160bar
2.液壓油箱體(tǐ)積:6L
3.液壓泵排量:3.2cc/r
4.電(diàn)機功率:1.5KW ; AC380V
5.電機轉速(su):1440r/min
6.功能:單作用
7.顔色(se):默認紅色/白色塑(su)料
8.安裝方式:卧式(shì)
9.油箱材料:鐵皮(1-1,5mm),工(gong)程塑料
10.應用場合(hé): 貨車

**為電磁換向(xiàng)閥電壓
外形圖片(piàn)

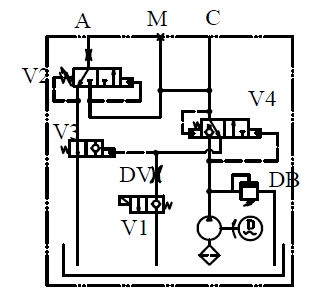
此液壓動力單元(yuán)由高壓齒輪泵、交(jiāo)流電機、液壓閥、油(you)箱☂️等零部件有機(jī)結合為一體。為液(ye)壓登車橋提供大(dà)小橋闆的💘升降♈和(he)閉合功能,可控制(zhì)兩組單作🐆用油缸(gang)。