
1.液壓系統壓(yā)力:130-180bar
2.液壓油箱體積(jī):20L
3.液壓泵排量:2.1cc/r
4.電機(ji)功率:2.2KW, AC220V
5.電機轉速:2850r/min
6.功(gong)能:單作用
7.顔色:默(mò)認紅色/白色塑料(liào)
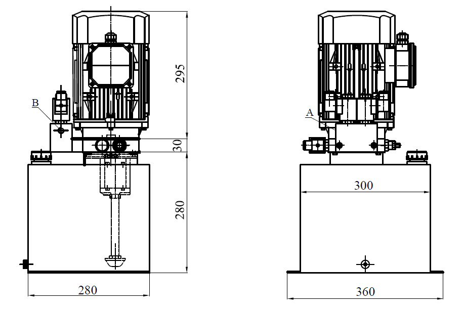
8.安裝方式:立式
9.油(yóu)箱材料:鐵皮(1-1,5mm),工程(cheng)塑料
10.應用場合: 大(da)型車輛的維修

**為(wei)電磁換向閥電壓(ya)
外形圖片

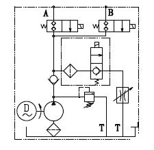
此液壓(ya)動力單元采用零(líng)洩漏雙向止回閥(fa)實現兩條油路的(de)完全隔離,使得兩(liǎng)條油路的上升和(he)下降動作互不幹(gàn)擾,是多缸單獨升(shēng)降系統的理想液(ye)壓源。該系列動力(lì)單元廣泛應用于(yu)子母台式(大剪)升(shēng)降機。

yle="width: 482px; height: 482px;" />